| Tình trạng sẵn có: | |
|---|---|
| Số: | |
M5-M20
RuiYang
810890
DIN6927 Loại mô-men xoắn trước bằng titan Đai ốc mặt bích hình lục giác-Tất cả bằng kim loại được sử dụng trên các sản phẩm hoặc máy móc tĩnh, thắt chặt đầu nối ren nam hoặc các phụ kiện khác, là một biện pháp chống nới lỏng.
Đai ốc titan mặt bích hình lục giác có mô men xoắn DIN6927 là hai đai ốc giống hệt nhau được vặn trên cùng một bu lông và mômen siết được thêm vào giữa hai đai ốc để làm cho kết nối bu lông trở nên đáng tin cậy.Nguyên lý làm việc là tự khóa bằng ma sát giữa đai ốc và bu lông.Tuy nhiên, độ tin cậy của việc tự khóa này bị giảm xuống dưới tải trọng động.Trong một số trường hợp quan trọng, chúng tôi sẽ thực hiện một số biện pháp chống nới lỏng để đảm bảo độ tin cậy của khóa đai ốc.
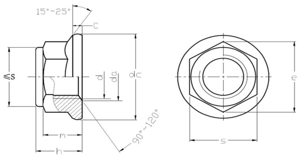
Đai ốc khóa bằng titan với DIN6927 Loại mô-men xoắn ưu việt Đai ốc mặt bích hình lục giác-Kích thước toàn kim loại và các hình vẽ như dưới đây:

d | M5 | M6 | M8 | M10 | M12 | (M14) | M16 | M20 | ||
P | Sân bóng đá | răng thô | 0.8 | 1 | 1.25 | 1.5 | 1.75 | 2 | 2 | 2.5 |
khỏe răng1 | / | / | 1 | 1.25 | 1.5 | 1.5 | 1.5 | 1.5 | ||
răng mịn2 | / | / | / | (1,0) | (1,25) | / | / | / | ||
c | min | 1 | 1.1 | 1.2 | 1.5 | 1.8 | 2.1 | 2.4 | 3 | |
da | min | 5 | 6 | 8 | 10 | 12 | 14 | 16 | 20 | |
tối đa | 5.75 | 6.75 | 8.75 | 10.8 | 13 | 15.1 | 17.3 | 21.6 | ||
dc | tối đa | 11.8 | 14.2 | 17.9 | 21.8 | 26 | 29.9 | 34.5 | 42.8 | |
dw | min | 9.8 | 12.2 | 15.8 | 19.6 | 23.8 | 27.6 | 31.9 | 39.9 | |
e | min | 8.79 | 11.05 | 14.38 | 16.64 | 20.03 | 23.36 | 26.75 | 32.95 | |
h | tối đa | 6.2 | 7.3 | 9.4 | 11.4 | 13.8 | 15.9 | 18.3 | 22.4 | |
m | min | 4.7 | 5.7 | 7.6 | 9.6 | 11.6 | 13.3 | 15.3 | 18.9 | |
mw | min | 2.2 | 3.1 | 4.5 | 5.5 | 6.7 | 7.8 | 9 | 11.1 | |
s | max = DK | 8 | 10 | 13 | 15 | 18 | 21 | 24 | 30 | |
min | 7.78 | 9.78 | 12.73 | 14.73 | 17.73 | 20.67 | 23.67 | 29.16 | ||
r | tối đa | 0.3 | 0.36 | 0.48 | 0.6 | 0.72 | 0.88 | 0.96 | 1.2 | |
Sản phẩm của chúng tôi trong sản xuất ốc vít titan và ốc vít titan hợp kim bao gồm các tiêu chuẩn GB, DIN, ASME / ANSI, ISO, UNI, JIS và các tiêu chuẩn công nghiệp khác của ốc vít ti, cũng như các ốc vít titan và hợp kim titan phi tiêu chuẩn.
Chào mừng gửi thư cho chúng tôi info@topqualityalloy.com cho yêu cầu của DIN6927 Loại mô-men xoắn trước bằng Titan Đai ốc mặt bích hình lục giác-Tất cả-kim loại, Khi chúng tôi nhận được yêu cầu chi tiết của bạn, chúng tôi sẽ trả lại bạn ngay lập tức.
DIN6927 Loại mô-men xoắn trước bằng titan Đai ốc mặt bích hình lục giác-Tất cả bằng kim loại được sử dụng trên các sản phẩm hoặc máy móc tĩnh, thắt chặt đầu nối ren nam hoặc các phụ kiện khác, là một biện pháp chống nới lỏng.
Đai ốc titan mặt bích hình lục giác có mô men xoắn DIN6927 là hai đai ốc giống hệt nhau được vặn trên cùng một bu lông và mômen siết được thêm vào giữa hai đai ốc để làm cho kết nối bu lông trở nên đáng tin cậy.Nguyên lý làm việc là tự khóa bằng ma sát giữa đai ốc và bu lông.Tuy nhiên, độ tin cậy của việc tự khóa này bị giảm xuống dưới tải trọng động.Trong một số trường hợp quan trọng, chúng tôi sẽ thực hiện một số biện pháp chống nới lỏng để đảm bảo độ tin cậy của khóa đai ốc.
Đai ốc khóa bằng titan với DIN6927 Loại mô-men xoắn ưu việt Đai ốc mặt bích hình lục giác-Kích thước toàn kim loại và các hình vẽ như dưới đây:

d | M5 | M6 | M8 | M10 | M12 | (M14) | M16 | M20 | ||
P | Sân bóng đá | răng thô | 0.8 | 1 | 1.25 | 1.5 | 1.75 | 2 | 2 | 2.5 |
khỏe răng1 | / | / | 1 | 1.25 | 1.5 | 1.5 | 1.5 | 1.5 | ||
răng mịn2 | / | / | / | (1,0) | (1,25) | / | / | / | ||
c | min | 1 | 1.1 | 1.2 | 1.5 | 1.8 | 2.1 | 2.4 | 3 | |
da | min | 5 | 6 | 8 | 10 | 12 | 14 | 16 | 20 | |
tối đa | 5.75 | 6.75 | 8.75 | 10.8 | 13 | 15.1 | 17.3 | 21.6 | ||
dc | tối đa | 11.8 | 14.2 | 17.9 | 21.8 | 26 | 29.9 | 34.5 | 42.8 | |
dw | min | 9.8 | 12.2 | 15.8 | 19.6 | 23.8 | 27.6 | 31.9 | 39.9 | |
e | min | 8.79 | 11.05 | 14.38 | 16.64 | 20.03 | 23.36 | 26.75 | 32.95 | |
h | tối đa | 6.2 | 7.3 | 9.4 | 11.4 | 13.8 | 15.9 | 18.3 | 22.4 | |
m | min | 4.7 | 5.7 | 7.6 | 9.6 | 11.6 | 13.3 | 15.3 | 18.9 | |
mw | min | 2.2 | 3.1 | 4.5 | 5.5 | 6.7 | 7.8 | 9 | 11.1 | |
s | max = DK | 8 | 10 | 13 | 15 | 18 | 21 | 24 | 30 | |
min | 7.78 | 9.78 | 12.73 | 14.73 | 17.73 | 20.67 | 23.67 | 29.16 | ||
r | tối đa | 0.3 | 0.36 | 0.48 | 0.6 | 0.72 | 0.88 | 0.96 | 1.2 | |
Sản phẩm của chúng tôi trong sản xuất ốc vít titan và ốc vít titan hợp kim bao gồm các tiêu chuẩn GB, DIN, ASME / ANSI, ISO, UNI, JIS và các tiêu chuẩn công nghiệp khác của ốc vít ti, cũng như các ốc vít titan và hợp kim titan phi tiêu chuẩn.
Chào mừng gửi thư cho chúng tôi info@topqualityalloy.com cho yêu cầu của DIN6927 Loại mô-men xoắn trước bằng Titan Đai ốc mặt bích hình lục giác-Tất cả-kim loại, Khi chúng tôi nhận được yêu cầu chi tiết của bạn, chúng tôi sẽ trả lại bạn ngay lập tức.
Petersy168
+86-18601515612